Ma présentation
-
philippius
- Membre
- Messages : 38
- Enregistré le : lun. 4 nov. 2019 11:47
- Localisation : Valence 26000
Ma présentation
Bonjour à tous
J'ai 69 ans
Je suis motard depuis 45 ans
J'habite dans le sud Drôme
Je roule avec Ural Ranger de 2016
C'est mon deuxième side Ural
Mon premier je l'avais acheté neuf en 1975 chez Charles Coutard à Lyon
J'aime la mécanique et le bricolage
Je suis en train de monter un réservoir de 45 litres et de fabriquer un échapement 2 en 1 sortie à gauche car ma femme se plaint du bruit
Nous venons de rentrer d'un voyage de 8000 km qui nous a mené enItalie , Albanie , Macédoine , Bulgarie , Giorgie , Arménie et 3000 km en Turquie
A bientôt de vous lire
J'ai 69 ans
Je suis motard depuis 45 ans
J'habite dans le sud Drôme
Je roule avec Ural Ranger de 2016
C'est mon deuxième side Ural
Mon premier je l'avais acheté neuf en 1975 chez Charles Coutard à Lyon
J'aime la mécanique et le bricolage
Je suis en train de monter un réservoir de 45 litres et de fabriquer un échapement 2 en 1 sortie à gauche car ma femme se plaint du bruit
Nous venons de rentrer d'un voyage de 8000 km qui nous a mené enItalie , Albanie , Macédoine , Bulgarie , Giorgie , Arménie et 3000 km en Turquie
A bientôt de vous lire
Vieux mo tard que jamais
- Guy et Claudette
- Messages : 3258
- Enregistré le : lun. 26 oct. 2015 20:31
- Localisation : ANTHELUPT (54)
- Adhérant : 063
- Contact :
Re: Ma présentation
Superbe, nous envisageons de faire la Gréce (refaire) au mois de mai juin, si tout va bien avec un modèle 2019philippius a écrit :Nous venons de rentrer d'un voyage de 8000 km qui nous a mené enItalie , Albanie , Macédoine , Bulgarie , Giorgie , Arménie et 3000 km en Turquie
Bienvenue à toi Philippe
Tu as dû voir une certaine différence entre les années 75 et 2016
Bonne route, au plaisir
Un récit de Gréce en 2011 . . . http://dnepr.ural.free.fr/recit_2011_grece.htm
J'ai jeté l'éponge . . . . http://forum.dnepr-ural.fr/viewtopic.php?f=5&t=1173
J'ai jeté l'éponge . . . . http://forum.dnepr-ural.fr/viewtopic.php?f=5&t=1173
-
papycoz
- Amicaliste
- Messages : 140
- Enregistré le : mer. 16 déc. 2015 17:21
- Localisation : Malause (82)
- Adhérant : 617
- Contact :
Re: Ma présentation
Bienvenue à toi Philippius, je possède le meme modèle que toi.philippius a écrit :Bonjour à tous
Je roule avec Ural Ranger de 2016
J'aime la mécanique et le bricolage
Je suis en train de monter un réservoir de 45 litres et de fabriquer un échapement 2 en 1 sortie à gauche car ma femme se plaint du bruit
Nous venons de rentrer d'un voyage de 8000 km qui nous a mené enItalie , Albanie , Macédoine , Bulgarie , Giorgie , Arménie et 3000 km en Turquie
A bientôt de vous lire
Ma femme travaillant encore mes virées sont plus courtes mais aussi vitalisantes...
Au plaisir de se relire !
-
philippius
- Membre
- Messages : 38
- Enregistré le : lun. 4 nov. 2019 11:47
- Localisation : Valence 26000
Casse tête
Bonjour à tous
Je suis entrain de monter , sur mon Ural de 2016 , un klaxon plus puissant que celui d'origine
Son alimentation se fait par un fil positif rouge
La masse se fait par son support
Je l'ai fixé sur la caisse du side
J'ai tiré un fil + et un fil de masse depuis ce support jusqu'à l'alimentation de la moto
Mon problème est que quand je branche le + et le - dans les cosses d'alimentation du klaxon d'origine le nouveau klaxon fonctionne en permanence sans que je mette le contact
Je suis entrain de monter , sur mon Ural de 2016 , un klaxon plus puissant que celui d'origine
Son alimentation se fait par un fil positif rouge
La masse se fait par son support
Je l'ai fixé sur la caisse du side
J'ai tiré un fil + et un fil de masse depuis ce support jusqu'à l'alimentation de la moto
Mon problème est que quand je branche le + et le - dans les cosses d'alimentation du klaxon d'origine le nouveau klaxon fonctionne en permanence sans que je mette le contact
Vieux mo tard que jamais
- Omar_Cello
- Membre
- Messages : 620
- Enregistré le : sam. 25 août 2018 12:23
- Localisation :
Re: Casse tête
salut, t'es ... sérieux ?philippius a écrit :Bonjour à tous
Je suis entrain de monter , sur mon Ural de 2016 , un klaxon plus puissant que celui d'origine
Son alimentation se fait par un fil positif rouge
La masse se fait par son support
Je l'ai fixé sur la caisse du side
J'ai tiré un fil + et un fil de masse depuis ce support jusqu'à l'alimentation de la moto
Mon problème est que quand je branche le + et le - dans les cosses d'alimentation du klaxon d'origine le nouveau klaxon fonctionne en permanence sans que je mette le contact
Il y a un accessoire utile :
tu pourras envoyer des avertissement dans le language morse.
Мотоцикл с коляской - ни ванна, ни гроб, но что-то между.
МТ 80 черный
МТ 80 черный
- tartempion
- Membre
- Messages : 2091
- Enregistré le : jeu. 26 juil. 2018 14:32
- Localisation : Андернос мотоциклетный завод 33
Re: Casse tête
désolé, pas pu m'en empêcher....
Je n’ai aucune confiance en quelqu’un qui porte à la fois une ceinture et des bretelles… en quelqu’un qui doute de son pantalon.
- Gruobel
- Membre
- Messages : 565
- Enregistré le : mer. 6 févr. 2019 10:00
- Localisation : Haute Saône, Franche Comté
Re: Casse tête
Je vais peut être dire une connerie, mais est ce
qu'il y a bien un interrupteur entre l'alimentation et le klaxon sur ton circuit ?
qu'il y a bien un interrupteur entre l'alimentation et le klaxon sur ton circuit ?
Localisation, en Haute Saône.
Petit tour : https://m.youtube.com/watch?v=7sRcVVv4RG8
1er démarrage : https://m.youtube.com/watch?v=kK2TtzyvnOo
Petit tour : https://m.youtube.com/watch?v=7sRcVVv4RG8
1er démarrage : https://m.youtube.com/watch?v=kK2TtzyvnOo
-
papycoz
- Amicaliste
- Messages : 140
- Enregistré le : mer. 16 déc. 2015 17:21
- Localisation : Malause (82)
- Adhérant : 617
- Contact :
Re: Casse tête
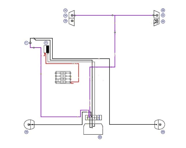
Bonsoir, normalement tu as un + coupé par le contact qui va sur le klaxon, le - va du klaxon au contact sur le commodo.
Quand tu klaxonnes le poussoir du commodo ferme le contact et envoi le - au klaxon.
Quand tu klaxonnes le poussoir du commodo ferme le contact et envoi le - au klaxon.
- jolijojo
- Administrateur du site
- Messages : 2564
- Enregistré le : lun. 24 juil. 2017 15:16
- Localisation : Ardèche
- Adhérant : 591
- Contact :
Re: Casse tête
C'est une blague

- Guy et Claudette
- Messages : 3258
- Enregistré le : lun. 26 oct. 2015 20:31
- Localisation : ANTHELUPT (54)
- Adhérant : 063
- Contact :
Re: Casse tête
Je ne l'aurais pas affirmé, mais j'aurais dis comme Papy. Raison de sécurité, ne pas avoir le + sur le commodo.jolijojo a écrit :C'est une blague![]()
![]()
Pour les clignotants, c'est un peu bizarre également, la masse des clignotants gauches passe par le clignotant droit, ainsi tu retires une ampoule, t'as plus de clignotant....
Autant pour moi, je rectifie
C'est juste au niveau du témoin de clignotant
Le ( - ) du voyant est pris sur l'ampoule du clignotant opposé
Un récit de Gréce en 2011 . . . http://dnepr.ural.free.fr/recit_2011_grece.htm
J'ai jeté l'éponge . . . . http://forum.dnepr-ural.fr/viewtopic.php?f=5&t=1173
J'ai jeté l'éponge . . . . http://forum.dnepr-ural.fr/viewtopic.php?f=5&t=1173