Questions technique...
-
juliettedneprmt10
- Membre
- Messages : 165
- Enregistré le : mar. 22 mai 2018 22:24
- Localisation :
Re: Questions technique...
Donc comme vous pouvez le voir sur ce schéma j'ai la borne (-) de la batterie qui n'est relié uniquement au régulateur.
Mais là ou le débat viens c'est que maintenant avec toutes ces connerie, je ne sais pas si c'est relié directement entre les deux ou si la borne (-) est relié au cadre et le régulateur au cadre...
Enfin bref je pense que je vais me demerder
J'ai eu tout ces doutes car je n'avais pas de vis pour recevoir cette connexion mais j'ai résolue le problème. Donc c'est bon j'ai ma réponse
Mais là ou le débat viens c'est que maintenant avec toutes ces connerie, je ne sais pas si c'est relié directement entre les deux ou si la borne (-) est relié au cadre et le régulateur au cadre...
Enfin bref je pense que je vais me demerder
J'ai eu tout ces doutes car je n'avais pas de vis pour recevoir cette connexion mais j'ai résolue le problème. Donc c'est bon j'ai ma réponse
On dit que l'on apprend de ses conneries, alors je dois sacrement apprendre...
-
juliettedneprmt10
- Membre
- Messages : 165
- Enregistré le : mar. 22 mai 2018 22:24
- Localisation :
Re: Questions technique...
Merci Jolijojo
C'est bon j'ai ma réponse !!!!
Et là maintenant j'ai encore une question évidement... qui n'a rien à voir avec le régulateur heureusement
C'est que peut importe le schéma électrique que je prends je n'arrive pas a comprendre comment est représenté le neiman...
Car sur les schémas ils représentent souvent que 4 bornes ce qui paraît logique vu qu'il n'y a que quatre positions de la clé...
Mais comme vous le voyez sur mon neiman j'ai 7 bornes de connexions...
Mais ça serait trop facile si elle était relié normalement à chaque positions, mais elles sont relié entre elles aussi... Donc si quelqu'un sait à quoi correspond les numéro 1;2;3;4 dont sur le schéma la position 2 et 3 ont deux bornes sur le dit schéma, mais sur ce putain de neiman j'ai bien des positions avec deux bornes mais elles se relie a d'autre donc je ne veux pas brancher les fils à l'envers
Bon je sais que c'est pas évident de suivre ce que je dis mais bon... si quelqu'un à compris....
C'est bon j'ai ma réponse !!!!
Et là maintenant j'ai encore une question évidement... qui n'a rien à voir avec le régulateur heureusement
C'est que peut importe le schéma électrique que je prends je n'arrive pas a comprendre comment est représenté le neiman...
Car sur les schémas ils représentent souvent que 4 bornes ce qui paraît logique vu qu'il n'y a que quatre positions de la clé...
Mais comme vous le voyez sur mon neiman j'ai 7 bornes de connexions...
Mais ça serait trop facile si elle était relié normalement à chaque positions, mais elles sont relié entre elles aussi... Donc si quelqu'un sait à quoi correspond les numéro 1;2;3;4 dont sur le schéma la position 2 et 3 ont deux bornes sur le dit schéma, mais sur ce putain de neiman j'ai bien des positions avec deux bornes mais elles se relie a d'autre donc je ne veux pas brancher les fils à l'envers
Bon je sais que c'est pas évident de suivre ce que je dis mais bon... si quelqu'un à compris....
On dit que l'on apprend de ses conneries, alors je dois sacrement apprendre...
- jolijojo
- Administrateur du site
- Messages : 2570
- Enregistré le : lun. 24 juil. 2017 15:16
- Localisation : Ardèche
- Adhérant : 591
- Contact :
Re: Questions technique...
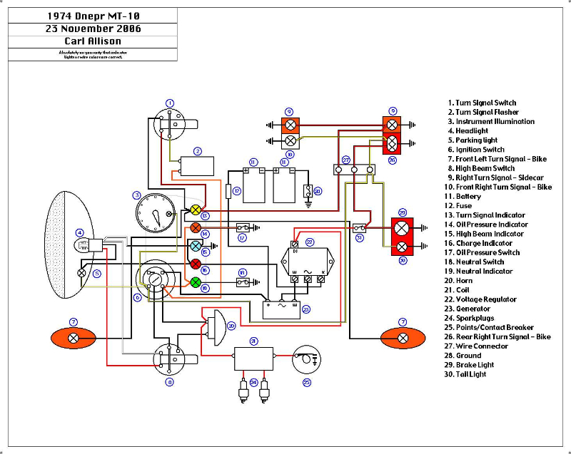
La réponse est là :
Re: Questions technique...
- tartempion
- Membre
- Messages : 2091
- Enregistré le : jeu. 26 juil. 2018 14:32
- Localisation : Андернос мотоциклетный завод 33
Re: Questions technique...
Bon, deja une chose de faite, pas mal !
MAIS, ta question sur le regul est bien moins complexe que brancher ton neiman, contacteur ou sur les schemas : switch ignition .
1ere chose : ce n'est pas parce qu'il y a 4 bornes au contacteur qu'il y a 4 positions de clé, il n'y a aucune relation de cause à effet.
le schema de jolijojo est tronqué, il n y a que 4 bornes au contacteur la ou toi tu en as 7.
sur ton contacteur, tous les plots (bornes) ne sont pas forcement utilisés.
ce qui importe à mon sens, c'est le montage d'origine et ensuite ce que tu peux faire pour le fiabiliser, sécuriser etc .
je ne connais pas ton contacteur mais il a l'air plus sérieux que le mien (k 750).
est ce celui cd'origine, sinon va falloir te débrouiller sans schémas.
le contacteur sert à distribuer le jus aux différents organes qui ne fonctionnent pas forcement ensemble, style veilleuse et feu de croisements, tout en ayant de l'allumage, du klaxon et des clignotants etc sur les diverses positions prises par la clé.
est ce que déja tu sais ou arrive sur ton contacteur le + batterie. c'est le point de départ.
sur ton modèle, il y a un fusible en amont ?
MAIS, ta question sur le regul est bien moins complexe que brancher ton neiman, contacteur ou sur les schemas : switch ignition .
1ere chose : ce n'est pas parce qu'il y a 4 bornes au contacteur qu'il y a 4 positions de clé, il n'y a aucune relation de cause à effet.
le schema de jolijojo est tronqué, il n y a que 4 bornes au contacteur la ou toi tu en as 7.
sur ton contacteur, tous les plots (bornes) ne sont pas forcement utilisés.
ce qui importe à mon sens, c'est le montage d'origine et ensuite ce que tu peux faire pour le fiabiliser, sécuriser etc .
je ne connais pas ton contacteur mais il a l'air plus sérieux que le mien (k 750).
est ce celui cd'origine, sinon va falloir te débrouiller sans schémas.
le contacteur sert à distribuer le jus aux différents organes qui ne fonctionnent pas forcement ensemble, style veilleuse et feu de croisements, tout en ayant de l'allumage, du klaxon et des clignotants etc sur les diverses positions prises par la clé.
est ce que déja tu sais ou arrive sur ton contacteur le + batterie. c'est le point de départ.
sur ton modèle, il y a un fusible en amont ?
Je n’ai aucune confiance en quelqu’un qui porte à la fois une ceinture et des bretelles… en quelqu’un qui doute de son pantalon.
-
juliettedneprmt10
- Membre
- Messages : 165
- Enregistré le : mar. 22 mai 2018 22:24
- Localisation :
Re: Questions technique...
jolijojo je te remercie du schéma mais si je pose la question c'est parce que comme le dit tartempion ils sont tous tronqué au niveau du neiman (ou switch ignition)
Donc j'avais pris quand même soin de faire des photos avant de débrancher tous mes câbles (je suis pas cons au point de me poser la question après) (quoi que des fois je me pose la question).
Donc oui je sais que mon neiman n'a que 4 positions de clé avec 7 bornes de connections en dessous mais c'est le rapprochement entre le schéma et la réalité qui n'est pas évidente...
Et pour figue... euh comment te dire qu'il est hors de question de la revendre même si l'on passe à l'électrique pour tous les véhicules... Bref j'ai tous démonté car je refait la moto de la cave au grenier pour la connaitre par coeur ainsi que de remettre en état tous ce qu'il le faut !!! plutôt que d'acheter une moto a un mec pour un certain prix, changer 2 merdes et en être content... Je sais que j'en ai les compétences (même si des fois je bute un peu, mais jamais longtemps)... Et ça me permettra d'être fin prêt pour mon voyage que je prépare avec ma petite juliette (prénom de la moto)
Donc j'avais pris quand même soin de faire des photos avant de débrancher tous mes câbles (je suis pas cons au point de me poser la question après) (quoi que des fois je me pose la question).
Donc oui je sais que mon neiman n'a que 4 positions de clé avec 7 bornes de connections en dessous mais c'est le rapprochement entre le schéma et la réalité qui n'est pas évidente...
Et pour figue... euh comment te dire qu'il est hors de question de la revendre même si l'on passe à l'électrique pour tous les véhicules... Bref j'ai tous démonté car je refait la moto de la cave au grenier pour la connaitre par coeur ainsi que de remettre en état tous ce qu'il le faut !!! plutôt que d'acheter une moto a un mec pour un certain prix, changer 2 merdes et en être content... Je sais que j'en ai les compétences (même si des fois je bute un peu, mais jamais longtemps)... Et ça me permettra d'être fin prêt pour mon voyage que je prépare avec ma petite juliette (prénom de la moto)
On dit que l'on apprend de ses conneries, alors je dois sacrement apprendre...
- jolijojo
- Administrateur du site
- Messages : 2570
- Enregistré le : lun. 24 juil. 2017 15:16
- Localisation : Ardèche
- Adhérant : 591
- Contact :
Re: Questions technique...
Dernier recours ?
[youtube]h9E3x-KR7JA[/youtube]
[youtube]h9E3x-KR7JA[/youtube]
- tartempion
- Membre
- Messages : 2091
- Enregistré le : jeu. 26 juil. 2018 14:32
- Localisation : Андернос мотоциклетный завод 33
Re: Questions technique...
fiat lux

Je n’ai aucune confiance en quelqu’un qui porte à la fois une ceinture et des bretelles… en quelqu’un qui doute de son pantalon.