Page 7 sur 14
Re: Questions technique...
Posté : lun. 29 oct. 2018 12:08
par juliettedneprmt10
personne ne peut me montrer le branchement par une photo de son PP330 ?

Re: Questions technique...
Posté : lun. 29 oct. 2018 13:07
par tartempion
tu te fais des sac de nœuds tout seul

.
le - de la batterie va au cadre, enfin chez nous (sur les anglaises, entre autres, non)
On se fout pas mal de savoir par ou passe le - du régulateur. ne sois pas esclave du schéma électrique.
tu ramènes un fil du - régulateur, si tu en as un (y'en a pas toujours, certains fabricants estiment que ça passe par les fixations ) au - batterie, au cadre, à la fixation du régulateur sur le cadre, ou tu veux du moment que par conductivité, ça finisse au - batterie.
Re: Questions technique...
Posté : lun. 29 oct. 2018 20:56
par juliettedneprmt10
wololololo mon dieux , j'ai rien pité, va falloir relire une 10 aine de fois
Mais oui je me fais des sac de noeuds (car je suis une BITE, en électricité!!!)
Bref entre temps j'ai regardé pour le régulateur pp330 et j'ai vu que certain avait une vis sur la droite... pour accueillir certainement le (-) du coup j'ai regardé je l'ai aussi , du moins le trou pour accueillir la vis mais pas la vis...
Donc oui je suis lourd mais j'ai besoin de voir comment est votre PP330 !!!!
Re: Questions technique...
Posté : lun. 29 oct. 2018 21:05
par tartempion
eh dis donc, je ne montre pas mon pp330 à tout le monde, trop...intime !!
pas possible parce que moi, c'est un pp 302 , et paf !
mais le schéma est le même et je ne te ferai pas de photos parce que : les câbles sont pris dans un faisceau et que on ne voit rien.
on va faire mieux :
est ce que tu as un multimètre et si oui, sais tu t'en servir ?
Re: Questions technique...
Posté : mar. 30 oct. 2018 21:40
par juliettedneprmt10
Oui
Pas vraiment (je suis une vrai bite), mais je suis capable de comprendre je pense mais je ne sais pas si tu sais dans quel état est ma dnepr !!
Y'a pas le moteur, pas de roue... je suis en train de la refaire complètement donc la je suis au câblage, j'ai pas de batterie
Mais je suis ouvert aux suggestions
Re: Questions technique...
Posté : mar. 30 oct. 2018 22:44
par Kreuzhof
je suis un peu paumé là.
Jolijojo t'as mis le schéma. Ou est le probléme?
Peut-être celui te parlera mieux

- MT10.jpg (347.35 Kio) Vu 4845 fois
Le branchement du régulateur est clair, non?
Re: Questions technique...
Posté : mer. 31 oct. 2018 10:10
par Remy
Je pense que tu te prends la tête pour pas grand chose, regarde sur le schema de kreuzhof le - n'est même pas représenté. Le - se fait via la carcasse du PP330 en contact avec le chassis de la moto.
A mon sens, vérifie juste que l'endroit ou les deux (carcasse et chassis) soit bien propre (pas de rouille, pas de peinture) et ça devrait fonctionner.
Re: Questions technique...
Posté : mer. 31 oct. 2018 10:27
par patof
Remy a écrit :Je pense que tu te prends la tête pour pas grand chose, regarde sur le schema de kreuzhof le - n'est même pas représenté. Le - se fait via la carcasse du PP330 en contact avec le chassis de la moto.
A mon sens, vérifie juste que l'endroit ou les deux (carcasse et chassis) soit bien propre (pas de rouille, pas de peinture) et ça devrait fonctionner.
Au mieux, je passe une cosse ronde a l'endroit des fixations et je la relie à une masse un peu plus loin CAD sur le moteur.
Re: Questions technique...
Posté : mer. 31 oct. 2018 11:18
par tartempion
bon , tu sais, être une bite c'est pas une condamnation à perpette.
si tu pars de ce principe, laisse tomber ton faisceau, sois lucide...tu n'y arriveras pas .
Pour une bécane pareille, basique en électricité, tu n'as pas besoin de schéma, une dynamo et un régulateur seront toujours une dynamo et un régulateur et se brancheront toujours pareillement.
le seul problème que nous ayons ici, c'est la traduction de ces 3 putains de termes récurrents dans le branchement d'une dynamo/regul : excitation, dynamo , batterie. et les lettres qui les symbolisent.
Et ce n'est pas parce que ta bécane est démontée , sans moteur , etc, que ça change quelque chose !
Donc, si tu veux faire simple, le -, tu l'oublies.
Tu t'en occuperas à la remise en route , si ton circuit de charge ne fonctionne pas
Re: Questions technique...
Posté : mer. 31 oct. 2018 13:05
par juliettedneprmt10
Lol heureusement que ce n'est pas condamnable, je serais pas le seul à être condamné sinon mdr
Donc oui je suis pas doué avec l'électricité mais je sais qu'ici comme sur la moto entièrement c'est plutôt basique c'est pour ça que je m'y suis penché sans peur...
Mais je n'ai pas envie de faire de la merde, c'est pour ça que viens vers vous pour avoir plus d'explications...
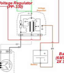
Enfin bref j'utilise ce schéma électrique.

- Capture d’écran 2018-10-31 à 12.50.19.png (352.69 Kio) Vu 4811 fois
Voici plus précisément la partie au niveau du régulateur

- Capture d’écran 2018-10-31 à 12.50.34.png (42.71 Kio) Vu 4811 fois