Le parcours du débutant - remise en état d'un MT12
- Kreuzhof
- Amicaliste
- Messages : 5396
- Enregistré le : ven. 4 nov. 2016 20:02
- Localisation : Bavière/Dauphiné
- Adhérant : 611
Re: Le parcours du débutant - remise en état d'un MT12
Coup de bol, j'ai mis les deux à l'envers donc ça ne devrait pas avoir d'influence.
J'ai fait des tests sur mon viel embrayage. Seul les disques têtes-bêches ne fonctionnent pas.
Sur mes photos, on voit bien l'espace entre les canelures des disques.
Ouf!
J'ai fait des tests sur mon viel embrayage. Seul les disques têtes-bêches ne fonctionnent pas.
Sur mes photos, on voit bien l'espace entre les canelures des disques.
Ouf!
MT12 de 1982 - Faut que ça tourne!
Rénovation d'un MT12 viewtopic.php?t=461
Rénovation d'un MT12 viewtopic.php?t=461
Re: Le parcours du débutant - remise en état d'un MT12
félicitation , c'est toujours un moment émouvant d'entendre enfin son moteur tourné , tu va pouvoir en profiter bientôt
-
mickeyprez
- Amicaliste
- Messages : 2935
- Enregistré le : ven. 23 oct. 2015 08:38
- Localisation : 68
- Adhérant : 1
Re: Le parcours du débutant - remise en état d'un MT12
Félicitations pour le démarrage , et ben f'oui la re-fabrication de pièces pour n'importe quel véhicule et une vraie galère .
Encore discuté de visu hier avec des gars au cours d'un rassemblement moto auto !
Aprés pour le voisinage c'est partout pareil , nous avons aussi notre stock de cons !
Hop la .
Encore discuté de visu hier avec des gars au cours d'un rassemblement moto auto !
Aprés pour le voisinage c'est partout pareil , nous avons aussi notre stock de cons !
Hop la .
- Kreuzhof
- Amicaliste
- Messages : 5396
- Enregistré le : ven. 4 nov. 2016 20:02
- Localisation : Bavière/Dauphiné
- Adhérant : 611
Re: Le parcours du débutant - remise en état d'un MT12
Merci. Je vais essayer de mettre le film mais comme je cherchais à comprendre ce qu'il se passait avec l'embrayage, il fait 160 MB
Hier, ça a planté lors du chargement.
Pour l'embrayage, j'en conclue pour le moment que les garnitures neuves sont trés (trop?) épaisses et cela bouffe une partie de la course!
Hier, ça a planté lors du chargement.
Pour l'embrayage, j'en conclue pour le moment que les garnitures neuves sont trés (trop?) épaisses et cela bouffe une partie de la course!
MT12 de 1982 - Faut que ça tourne!
Rénovation d'un MT12 viewtopic.php?t=461
Rénovation d'un MT12 viewtopic.php?t=461
- Kreuzhof
- Amicaliste
- Messages : 5396
- Enregistré le : ven. 4 nov. 2016 20:02
- Localisation : Bavière/Dauphiné
- Adhérant : 611
Re: Le parcours du débutant - remise en état d'un MT12
Notez les crocs de sécurité1
[youtube][/youtube]
[youtube][/youtube]
MT12 de 1982 - Faut que ça tourne!
Rénovation d'un MT12 viewtopic.php?t=461
Rénovation d'un MT12 viewtopic.php?t=461
- jpa
- Amicaliste
- Messages : 860
- Enregistré le : dim. 25 oct. 2015 03:01
- Localisation : 44390
- Adhérant : 9
Re: Le parcours du débutant - remise en état d'un MT12
C'est normal
ça fait ça quand c'est neuf
Et puis ton voisin va etre content
tu pourras l'emmener faire un tour dans le panier
Bref CHAPEAU BAS car une reconstruction pareille avec toutes les photos et commentaires qui vont bien
c'ets une discu ou l'on prends du plaisir à voir l'avancement du chantier

T'as oublié le bout de Moquette sous la Becane
qui seras ensuite sous les pieds du passager side

Bref CHAPEAU BAS car une reconstruction pareille avec toutes les photos et commentaires qui vont bien
T'as oublié le bout de Moquette sous la Becane
- Kreuzhof
- Amicaliste
- Messages : 5396
- Enregistré le : ven. 4 nov. 2016 20:02
- Localisation : Bavière/Dauphiné
- Adhérant : 611
Re: Le parcours du débutant - remise en état d'un MT12
Merci.
Ca fait du bien quand ça craque. Il y'a juste cette histoire de tige de poussée d'embrayage qui me turlupine (pire que la barbe du Cpt Haddock dans Coke en Stock).
Ca fait du bien quand ça craque. Il y'a juste cette histoire de tige de poussée d'embrayage qui me turlupine (pire que la barbe du Cpt Haddock dans Coke en Stock).
MT12 de 1982 - Faut que ça tourne!
Rénovation d'un MT12 viewtopic.php?t=461
Rénovation d'un MT12 viewtopic.php?t=461
- Kreuzhof
- Amicaliste
- Messages : 5396
- Enregistré le : ven. 4 nov. 2016 20:02
- Localisation : Bavière/Dauphiné
- Adhérant : 611
Re: Le parcours du débutant - remise en état d'un MT12
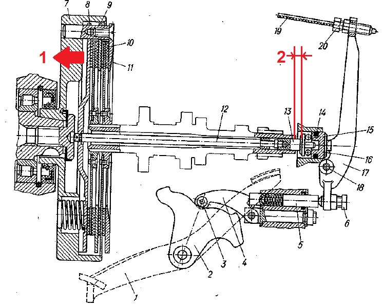
Alors voilà le topo.
Mon embrayage marchait bien jusqu'à que le moteur tourne. Là, pouf!, le carré a du trouver sa place (mieux que moi quand je l'ai fait) et le poussoir a disparu dans son alésage!
J'avais des doutes au montage, maintenant j'ai des certitudes. Les nouveaux disques, bien épais, poussent le plateau en arrière (1). seule direction possible au vu du systéme vissé en face avant) et la course (2) s'en retrouve diminué.
Je vais refaire des mesures de profondeur pour vérifier si j'ai encore de la course mais cela me semble bien faible. L'empilage poussoir rondelles roulement et plateau de butée fait 22mm.
Sinon il y'a trois solutions
1- une tige plus longue (mais un carré à usiner c'est ultra chiant)
2- tourner une pièce intermédiaire 3-5mm (faisable)
3 -tourner une butée plus longue 3-5mm (faisable aussi)
On va se faire un petit outils pour tripoter la tige et lui retrouver son carré.
Cool, le morale remonte!
Question: pourquoi ne pas changer l'embrayage? Tout simplement parce que je suis faignant!

Mon embrayage marchait bien jusqu'à que le moteur tourne. Là, pouf!, le carré a du trouver sa place (mieux que moi quand je l'ai fait) et le poussoir a disparu dans son alésage!
J'avais des doutes au montage, maintenant j'ai des certitudes. Les nouveaux disques, bien épais, poussent le plateau en arrière (1). seule direction possible au vu du systéme vissé en face avant) et la course (2) s'en retrouve diminué.
Je vais refaire des mesures de profondeur pour vérifier si j'ai encore de la course mais cela me semble bien faible. L'empilage poussoir rondelles roulement et plateau de butée fait 22mm.
Sinon il y'a trois solutions
1- une tige plus longue (mais un carré à usiner c'est ultra chiant)
2- tourner une pièce intermédiaire 3-5mm (faisable)
3 -tourner une butée plus longue 3-5mm (faisable aussi)
On va se faire un petit outils pour tripoter la tige et lui retrouver son carré.
Cool, le morale remonte!
Question: pourquoi ne pas changer l'embrayage? Tout simplement parce que je suis faignant!
MT12 de 1982 - Faut que ça tourne!
Rénovation d'un MT12 viewtopic.php?t=461
Rénovation d'un MT12 viewtopic.php?t=461
Re: Le parcours du débutant - remise en état d'un MT12
Je me sers d'un aimant cylindrique pour faire tourner la tige et faire rentrer le carré. Le tout c'est de retirer l'aimant sans faire sortir la tige !!!!
- Kreuzhof
- Amicaliste
- Messages : 5396
- Enregistré le : ven. 4 nov. 2016 20:02
- Localisation : Bavière/Dauphiné
- Adhérant : 611
Re: Le parcours du débutant - remise en état d'un MT12
Tiens, c'est pas bête ça. Je n'avais pas penser à l'aimant. Faudra que je regarde cela. 
MT12 de 1982 - Faut que ça tourne!
Rénovation d'un MT12 viewtopic.php?t=461
Rénovation d'un MT12 viewtopic.php?t=461