Présentation

:arrow: Avant de poster suivre les conseils :viewtopic.php?t=2114/consulter-avant-de-poster

Merci de compléter votre profil: région, véhicule...
Avatar du membre
tartempion
Membre
Messages : 2091
Enregistré le : jeu. 26 juil. 2018 14:32
Localisation : Андернос мотоциклетный завод 33

Re: Présentation

Message par tartempion »

non, c'est pas le précédent :roll: ....
Parts_CJ750_regulator_6V_NOS_instruction_1.jpg
Parts_CJ750_regulator_6V_NOS_instruction_1.jpg (26.94 Kio) Vu 3928 fois
déja, te voila le schéma de branchement
alors , heureux ? :lol: :lol:
Parts_CJ750_regulator_6V_NOS_front.jpg
Parts_CJ750_regulator_6V_NOS_front.jpg (22.76 Kio) Vu 3928 fois
et ce serait plutôt celui là , donc 7A / 6V mais toujours 3 bornes...
Je n’ai aucune confiance en quelqu’un qui porte à la fois une ceinture et des bretelles… en quelqu’un qui doute de son pantalon.
Avatar du membre
tartempion
Membre
Messages : 2091
Enregistré le : jeu. 26 juil. 2018 14:32
Localisation : Андернос мотоциклетный завод 33

Re: Présentation

Message par tartempion »

est ce que ta dynamo est une MZF 11 ?

MZF 11
Je n’ai aucune confiance en quelqu’un qui porte à la fois une ceinture et des bretelles… en quelqu’un qui doute de son pantalon.
Avatar du membre
tartempion
Membre
Messages : 2091
Enregistré le : jeu. 26 juil. 2018 14:32
Localisation : Андернос мотоциклетный завод 33

Re: Présentation

Message par tartempion »

est ce que ton inter/contact, c'est ça ?

contacteur Cj

si oui, j'ai merdé parce que je pensais que c'était une copie des contacteurs Russes qui n'ont rien à voir...
Je n’ai aucune confiance en quelqu’un qui porte à la fois une ceinture et des bretelles… en quelqu’un qui doute de son pantalon.
lolo32
Membre
Messages : 37
Enregistré le : mar. 18 janv. 2022 13:48
Localisation : 32

Re: Présentation

Message par lolo32 »

à la réception le voyant de charge fonctionnait ; allumé au ralenti éteint en roulant
Fichiers joints
DSC_0211.jpg
DSC_0211.jpg (67.17 Kio) Vu 3919 fois
DSC_0210.jpg
DSC_0210.jpg (60.62 Kio) Vu 3919 fois
MTY-5   7V 10 amp  3 sorties
MTY-5 7V 10 amp 3 sorties
DSC_0208.jpg (61.19 Kio) Vu 3919 fois
DSC_0209.jpg
DSC_0209.jpg (58.28 Kio) Vu 3919 fois
lolo32
Membre
Messages : 37
Enregistré le : mar. 18 janv. 2022 13:48
Localisation : 32

Re: Présentation

Message par lolo32 »

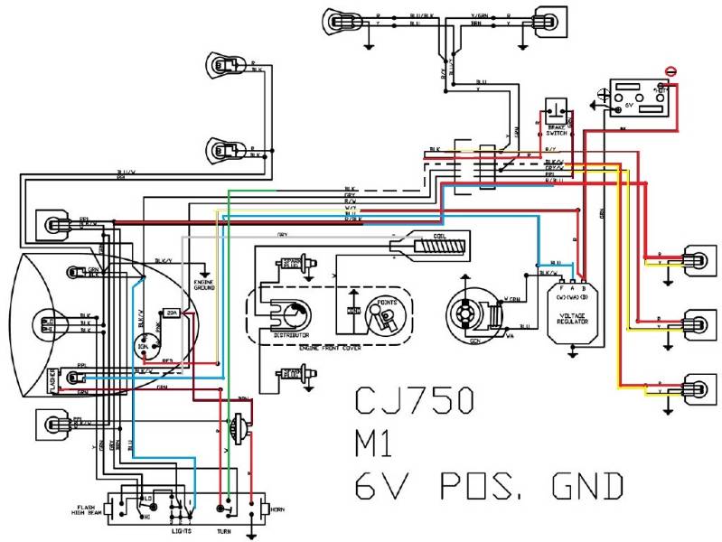
Si ça peut aider j'ai trouvé ça que j'ai commencer à "colorier" avec les couleurs présentent sur mon faisceau.
schema elect.jpg
schema elect.jpg (61.84 Kio) Vu 3918 fois
ça devrait correspondre au modèle que j'ai M1 c'est à dire 6V
lolo32
Membre
Messages : 37
Enregistré le : mar. 18 janv. 2022 13:48
Localisation : 32

Re: Présentation

Message par lolo32 »

quand je dis que ça devrait correspondre c'est bien évident qu'on en est pas prés !!
Avatar du membre
tartempion
Membre
Messages : 2091
Enregistré le : jeu. 26 juil. 2018 14:32
Localisation : Андернос мотоциклетный завод 33

Re: Présentation

Message par tartempion »

est ce qu'au niveau de la batterie, le branchement est le même que toi parce que là, c'est du plus à la masse ?
le + va au cadre et à la carcasse du régulateur , pas sur une des 3 bornes de celui ci

ton circuit de charge a l'air de fonctionner donc ce sont tes explications qui sont inexactes ou pas assez précises, juste ce qu'il faut pour tourner en rond :D
Je n’ai aucune confiance en quelqu’un qui porte à la fois une ceinture et des bretelles… en quelqu’un qui doute de son pantalon.
lolo32
Membre
Messages : 37
Enregistré le : mar. 18 janv. 2022 13:48
Localisation : 32

Re: Présentation

Message par lolo32 »

lolo32 a écrit : lun. 7 févr. 2022 11:15 Bon après un dimanche de décrochage je retourne voir la Chinoise et reprends depuis la base :
En fait le plus ne va pas à la masse
du - de la batterie part le câble qui va à la première cosse du régulateur MTY-5 ; de cette même connexion repart un câble qui va au contact!
du + part le câble qui va à l'ampèremètre ;
de la seconde sortie de cet ampèremètre arrive un câble qui part de la connexion 2 du régulateur.
La lumière d'indication de charge est alimentée par un câble qui part de la "masse" de l'allumage électronique COVEK et d'un câble du bornier alimenté par le contact!
Capture d’écran 2022-02-07 111152.png
J'espère que ça peut aider :cry:
Bon si tu veux arrêter je comprendrais parce que moi je suis en train de devenir "cinglé" tellement je m'embrouille :oops:
En fait c'est l'inverse et tu as raison mes explications sont mauvaises ;
Le plus + va à la première borne du régulateur qui repart au contact
Le moins "-" va directement à l'ampèremètre !
Je vais me trouver une excuse en disant que fil du moins au départ est rouge et qu'il ou ils ont connecter un noir !! :ugeek:
Donc l'inverse en gros du schéma
Avatar du membre
Guy et Claudette
Messages : 3261
Enregistré le : lun. 26 oct. 2015 20:31
Localisation : ANTHELUPT (54)
Adhérant : 063
Contact :

Re: Présentation

Message par Guy et Claudette »

En parlant couleur, il faut savoir qu'il arrive à ce que la couleur change sur une longueur de fil, mais généralement ça vire au blanc, manque de teinture
lolo32
Membre
Messages : 37
Enregistré le : mar. 18 janv. 2022 13:48
Localisation : 32

Re: Présentation

Message par lolo32 »

Guy et Claudette a écrit : lun. 7 févr. 2022 15:15 En parlant couleur, il faut savoir qu'il arrive à ce que la couleur change sur une longueur de fil, mais généralement ça vire au blanc, manque de teinture
Là l'avantage ,si tant est que ça en soit un, c'est que c'est "chatertonner tout du long" , donc ça colle plus que ca change de couleur :lol:
Répondre

Retourner vers « Présentations des membres et de leur(s) projet(s) »