Premier post

:arrow: Avant de poster suivre les conseils :viewtopic.php?t=2114/consulter-avant-de-poster

Merci de compléter votre profil: région, véhicule...
JiFou
Amicaliste
Messages : 439
Enregistré le : ven. 31 déc. 2021 17:20
Localisation : 69
Adhérant : 673

Re: Premier post

Message par JiFou »

bonjour. Sur les centrales cligno, qui dit "variation de durée de clignotement", dit que" le total des puissances de ce qu'il y a a clignoter", ne correspond pas a ce qui est prévu par la centrale ( en principe c'est marqué dessus).
ex connu sur les voitures : clignotement + rapide == une ampoule cligno est HS.

Ce beau principe est quand meme remis en cause avec les centrales électroniques, qui ont des composants élecroniques beaucoup plus poussés permettant plus de rigueur (temps de cligno) et de laxisme (puissances variable), que de simples bobinages et aimants.

Ce que je ferais : relevé des puissances de tes ampoules (que d'un coté). et achat d'une centrale qui correspond a cette puissance. On trouve pas mal de choses en elec pour les anciens vhéhicules, sur https://www.classicautoelec.com/fr/, mais il y en d'autres.

Mais ceci n'engage que bibi comme d'hab . ;)
La bise du Fou(ji)
Avatar du membre
Cambouis
Membre
Messages : 300
Enregistré le : dim. 2 juil. 2023 13:52
Localisation : Neufchâtel en bray

Re: Premier post

Message par Cambouis »

Malheureusement, sur ma centrale venue de l'Est, n'est inscrit aucune indication... J'ai deux bornes dotées d'écrous pour l'arrivée du + et le départ au comodo, et une vis de réglage du clignotement qui joue sur la tension d'une lame a l'intérieur du bousin.... Ça ne me dit pas grand chose sur sa capacité. Y'a t'il d'après vous un sens de branchement sur ce type de centrale? Quelle puissance en Watts font des ampoules de clignotants classiques? 10w?
Y'a pas de problème sans solution, a partir du moment ou t'as compris que quand ça marche, ça annonce la panne...
Avatar du membre
Guy et Claudette
Messages : 3261
Enregistré le : lun. 26 oct. 2015 20:31
Localisation : ANTHELUPT (54)
Adhérant : 063
Contact :

Re: Premier post

Message par Guy et Claudette »

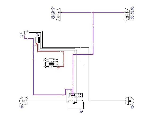
1995_u10.jpg
1995_u10.jpg (15.83 Kio) Vu 5264 fois
Je vous présente le branchement des clignotants sur mon 650 Oural de 96
Une particularité sur l'alimentation du voyant, quand on allume le clignotant droit, le témoin va chercher la masse sur le gauche, et vice-versa
Avatar du membre
Cambouis
Membre
Messages : 300
Enregistré le : dim. 2 juil. 2023 13:52
Localisation : Neufchâtel en bray

Re: Premier post

Message par Cambouis »

Merci Guy, j'ai fait le même branchement, ça ne vient donc pas de là 👍
Y'a pas de problème sans solution, a partir du moment ou t'as compris que quand ça marche, ça annonce la panne...
Avatar du membre
Cambouis
Membre
Messages : 300
Enregistré le : dim. 2 juil. 2023 13:52
Localisation : Neufchâtel en bray

Re: Premier post

Message par Cambouis »

J'ai trouvé l'origine du problème de clignotants, j'ai changé la centrale mécanique par une électronique 6v 13w et c'est réglé (a part que ça bip.. ) l'ancienne bestiole etait certainement une 12 volts, d'où le disfonctionnement. Mais les inscriptions étant en soviétique...
IMG_20241024_151056.jpg
IMG_20241024_151056.jpg (24.73 Kio) Vu 5235 fois
IMG_20241024_151042.jpg
IMG_20241024_151042.jpg (25.54 Kio) Vu 5235 fois
Y'a pas de problème sans solution, a partir du moment ou t'as compris que quand ça marche, ça annonce la panne...
JiFou
Amicaliste
Messages : 439
Enregistré le : ven. 31 déc. 2021 17:20
Localisation : 69
Adhérant : 673

Re: Premier post

Message par JiFou »

content pour toi. ( c'est un peu ce que je te disais ...) A +
Avatar du membre
Cambouis
Membre
Messages : 300
Enregistré le : dim. 2 juil. 2023 13:52
Localisation : Neufchâtel en bray

Re: Premier post

Message par Cambouis »

JiFou a écrit : jeu. 24 oct. 2024 20:17 content pour toi. ( c'est un peu ce que je te disais ...) A +
Tout a fait, j'ai suivi tes bons conseils😁
Y'a pas de problème sans solution, a partir du moment ou t'as compris que quand ça marche, ça annonce la panne...
Avatar du membre
Cambouis
Membre
Messages : 300
Enregistré le : dim. 2 juil. 2023 13:52
Localisation : Neufchâtel en bray

Re: Premier post

Message par Cambouis »

Bonjour a tous et bonne année à tous !
Y'a pas de problème sans solution, a partir du moment ou t'as compris que quand ça marche, ça annonce la panne...
Avatar du membre
Cambouis
Membre
Messages : 300
Enregistré le : dim. 2 juil. 2023 13:52
Localisation : Neufchâtel en bray

Re: Premier post

Message par Cambouis »

Petite question, auriez-vous déjà réglé les butées du sélecteur de vitesse sur une boite sans marche arrière ?
Les vitesses descendent une a une sans soucis, par contre, pour monter, c'est délicat, ça saute, la 2eme disparaît...puis réapparaît. Ça s'en va, et ça revient (m'rappelle une tite chanson ça 🤔)
Bonne année encore a tous
Y'a pas de problème sans solution, a partir du moment ou t'as compris que quand ça marche, ça annonce la panne...
Avatar du membre
Kreuzhof
Amicaliste
Messages : 5404
Enregistré le : ven. 4 nov. 2016 20:02
Localisation : Bavière/Dauphiné
Adhérant : 611

Re: Premier post

Message par Kreuzhof »

Perso, je n'ai fait aucun réglage particulier sur le mécanisme du selecteur. Il n'y avait d'ailleurs, autant que je sache, rien à régler. Mais il s'agit d'une boite avec marche arriére.

MT12 de 1982 - Faut que ça tourne!
Rénovation d'un MT12 viewtopic.php?t=461
Répondre

Retourner vers « Présentations des membres et de leur(s) projet(s) »