Présentation de Skippy 40
- Kreuzhof
- Amicaliste
- Messages : 5376
- Enregistré le : ven. 4 nov. 2016 20:02
- Localisation : Bavière/Dauphiné
- Adhérant : 611
Re: Présentation de Skippy 40
Qu'est que c'est ce cône?
Il n'y a pas ca sur les latéraux (comme le montre la photo que j'ai mise).
Il n'y a pas ca sur les latéraux (comme le montre la photo que j'ai mise).
MT12 de 1982 - Faut que ça tourne!
Rénovation d'un MT12 viewtopic.php?t=461
Rénovation d'un MT12 viewtopic.php?t=461
- tartempion
- Membre
- Messages : 2091
- Enregistré le : jeu. 26 juil. 2018 14:32
- Localisation : Андернос мотоциклетный завод 33
Re: Présentation de Skippy 40
alors là....
fallait le savoir !
on est à des lieues des assemblages russes (enfin, ceux que je connais )
et effectivement, l'extracteur positionné comme ça, tu ne pouvais pas y arriver
merci d'avoir éclairé nos esprits ignorants
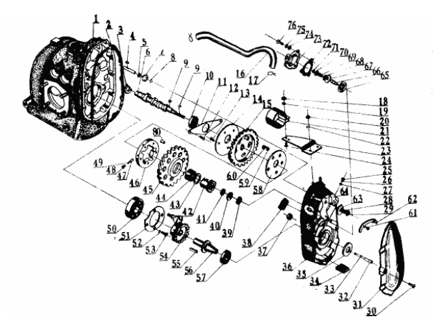
ceci dit et pour la suite, si tu es emmerdé, voila la planche sur laquelle on voit le montage, ça t'aurait permis de ne pas te faire avoir
si tu butes encore sur des problémes de ce style, tu as des éclatés chez "sidecar pro"
http://www.sidecarpro.com/Parts_manual.html
fallait le savoir !
on est à des lieues des assemblages russes (enfin, ceux que je connais )
et effectivement, l'extracteur positionné comme ça, tu ne pouvais pas y arriver
merci d'avoir éclairé nos esprits ignorants
ceci dit et pour la suite, si tu es emmerdé, voila la planche sur laquelle on voit le montage, ça t'aurait permis de ne pas te faire avoir
si tu butes encore sur des problémes de ce style, tu as des éclatés chez "sidecar pro"
http://www.sidecarpro.com/Parts_manual.html
Je n’ai aucune confiance en quelqu’un qui porte à la fois une ceinture et des bretelles… en quelqu’un qui doute de son pantalon.
- Guy et Claudette
- Messages : 3273
- Enregistré le : lun. 26 oct. 2015 20:31
- Localisation : ANTHELUPT (54)
- Adhérant : 063
- Contact :
Re: Présentation de Skippy 40
Effectivement, est-ce bien du Russe ??Kreuzhof a écrit :Qu'est que c'est ce cône?
Il n'y a pas ca sur les latéraux (comme le montre la photo que j'ai mise).
On dirait un alternateur BM
Un récit de Gréce en 2011 . . . http://dnepr.ural.free.fr/recit_2011_grece.htm
J'ai jeté l'éponge . . . . http://forum.dnepr-ural.fr/viewtopic.php?f=5&t=1173
J'ai jeté l'éponge . . . . http://forum.dnepr-ural.fr/viewtopic.php?f=5&t=1173
- tartempion
- Membre
- Messages : 2091
- Enregistré le : jeu. 26 juil. 2018 14:32
- Localisation : Андернос мотоциклетный завод 33
Re: Présentation de Skippy 40
ben non, c'est du Chinois !!Effectivement, est-ce bien du Russe ??
Je n’ai aucune confiance en quelqu’un qui porte à la fois une ceinture et des bretelles… en quelqu’un qui doute de son pantalon.
Re: Présentation de Skippy 40
Le pire c'est que j'avais bien vu l'éclaté mais je ne pensais pas que ça s'emmanchais de la sorte !tartempion a écrit :alors là....
fallait le savoir !
on est à des lieues des assemblages russes (enfin, ceux que je connais )
et effectivement, l'extracteur positionné comme ça, tu ne pouvais pas y arriver![]()
merci d'avoir éclairé nos esprits ignorants
ceci dit et pour la suite, si tu es emmerdé, voila la planche sur laquelle on voit le montage, ça t'aurait permis de ne pas te faire avoir
si tu butes encore sur des problémes de ce style, tu as des éclatés chez "sidecar pro"
http://www.sidecarpro.com/Parts_manual.html
Sidecar_Pro_Parts_Manual_CJ750_Engine_assembly_SV_Side_Valve.png
Souvent dans l'erreur jamais dans le doute !
- Lilian
- Membre
- Messages : 1132
- Enregistré le : mar. 17 nov. 2015 18:54
- Localisation : Bazas
- Adhérant : 543
Re: Présentation de Skippy 40
J'ai fait un peu dans le même principe pour sortir mon axe de bras oscillant... J'ai sorti la meuleuse avant de comprendre comment c'était foutu 
“Il ne faudrait pas croire que les responsables d'hier étaient plus ignorants de la situation que ne le sont ceux d'aujourd'hui !” Raymond Devos (toujours à propos)
- tartempion
- Membre
- Messages : 2091
- Enregistré le : jeu. 26 juil. 2018 14:32
- Localisation : Андернос мотоциклетный завод 33
Re: Présentation de Skippy 40
Le pire c'est que j'avais bien vu l'éclaté mais je ne pensais pas que ça s'emmanchais de la sorte !
que celui qui n'a jamais péché te lance la 1ere pierre !!!
(je pense qu'on va avoir une avalanche de poissons, là , pire qu'à la criée)
Je n’ai aucune confiance en quelqu’un qui porte à la fois une ceinture et des bretelles… en quelqu’un qui doute de son pantalon.
- rico83
- Membre
- Messages : 93
- Enregistré le : jeu. 24 sept. 2020 19:37
- Localisation : les arcs
- Adhérant : 653
Re: Présentation de Skippy 40
Je préfère rien dire moi qui est commencé la restauration sans l amicale mais jai toujours aimée chercher par moi-même mais merci ça fait beaucoup de bien de voir que l'on est pas tout seul dans les galères.
- Kreuzhof
- Amicaliste
- Messages : 5376
- Enregistré le : ven. 4 nov. 2016 20:02
- Localisation : Bavière/Dauphiné
- Adhérant : 611
Re: Présentation de Skippy 40
Certes mais ca ne repond pas à la question. A quoi sert donc ce "kegel"?
MT12 de 1982 - Faut que ça tourne!
Rénovation d'un MT12 viewtopic.php?t=461
Rénovation d'un MT12 viewtopic.php?t=461
- tartempion
- Membre
- Messages : 2091
- Enregistré le : jeu. 26 juil. 2018 14:32
- Localisation : Андернос мотоциклетный завод 33
Re: Présentation de Skippy 40
emmanchement rotor alternateurA quoi sert donc ce "kegel"?
oui, je sais, je l'aurai pas mis là moi non plus....
Je n’ai aucune confiance en quelqu’un qui porte à la fois une ceinture et des bretelles… en quelqu’un qui doute de son pantalon.