Restauration d'un MT 10 36 de 1983

:arrow: Avant de poster suivre les conseils :viewtopic.php?t=2114/consulter-avant-de-poster

Merci de compléter votre profil: région, véhicule...
Répondre
Frann
Membre
Messages : 36
Enregistré le : sam. 28 mars 2020 14:19
Localisation : non renseigné

Re: Restauration d'un MT 10 36 de 1983

Message par Frann »

Hello à tous,

Encore moi :)
Je suis en galère totale pour régler la course de mon câble d'embrayage.
Est-ce qu'il faut qu'au "repos", le piston sur la photo soit totalement rentré et donc que le levier soit posé dessus ?
Et est-ce qu'il est censé ressortir tout seul s'il n'a pas de pression dessus, car ce n'est pas mon cas et quand j'avais regardé une vidéo, de réfection de la boîte, quand le mec appuie dessus, le piston rentre et dès qu'il n'a plus de pression, il ressort, donc je me demande si je ne doit pas refaire quelque chose..
Piston boîte de vitesse.png
Avatar du membre
Guy et Claudette
Messages : 3273
Enregistré le : lun. 26 oct. 2015 20:31
Localisation : ANTHELUPT (54)
Adhérant : 063
Contact :

Re: Restauration d'un MT 10 36 de 1983

Message par Guy et Claudette »

Un de nos spécialiste ne va pas tarder à te répondre.
Je ne connais pas bien cette boite, mais si j'ai compris le fonctionnement, c'est le sélecteur de vitesse qui va faire sortir ce piston pour aller débrayer.
Mais au repos, c'est à dire sans toucher le sélecteur, je sais pas comment il devrait être.
Avatar du membre
Lilian
Membre
Messages : 1132
Enregistré le : mar. 17 nov. 2015 18:54
Localisation : Bazas
Adhérant : 543

Re: Restauration d'un MT 10 36 de 1983

Message par Lilian »

A quoi ça sert ce piston ? Sur mon bitza, c'est le "cylindre" au dessus, qui se trouve en bout de tige d'embrayage, qui repousse le levier.
“Il ne faudrait pas croire que les responsables d'hier étaient plus ignorants de la situation que ne le sont ceux d'aujourd'hui !” Raymond Devos (toujours à propos)
Avatar du membre
tartempion
Membre
Messages : 2091
Enregistré le : jeu. 26 juil. 2018 14:32
Localisation : Андернос мотоциклетный завод 33

Re: Restauration d'un MT 10 36 de 1983

Message par tartempion »

quand tu règles ta garde à la poignée , tu laisses quelques mm de jeu ( pas 1 km, non plus ) pour ne pas que les disques soient en précontrainte , histoire d'attendre un peu avant de les flinguer
en bas, c'est pareil, sauf que tu débrayes avec le pied au sélecteur
mets 1mm de jeu entre le piston et la vis de réglage pour commencer et affine en essayant
faut que ;
tu puisses débrayer
tes disques ne soient pas en prise ; patinage
que la vitesse puisse passer avant que le levier ne vienne en butée

je ne sais pas s'il y a une valeur "refuge" mais mets la priorité sur le non patinage des disques
Je n’ai aucune confiance en quelqu’un qui porte à la fois une ceinture et des bretelles… en quelqu’un qui doute de son pantalon.
Avatar du membre
rico83
Membre
Messages : 93
Enregistré le : jeu. 24 sept. 2020 19:37
Localisation : les arcs
Adhérant : 653

Re: Restauration d'un MT 10 36 de 1983

Message par rico83 »

Bonjour jai le même souci le pistons n'a pas l'air d'être mobile peut-être il faut que le moteur tourne pour mettre la boite en route .as tu essaye de passer la vitesse directement sans débrayer je parle évidemment de la 2ème voir 3 ou 4 pas la 1ère .pour info je passait sur une honda mes vitesses sans débrayer suffisait de bien connaitre son régime moteur.
Avatar du membre
tartempion
Membre
Messages : 2091
Enregistré le : jeu. 26 juil. 2018 14:32
Localisation : Андернос мотоциклетный завод 33

Re: Restauration d'un MT 10 36 de 1983

Message par tartempion »

faut bien comprendre que , avec ce système, tu débrayes au pied ou à la main
tu peux t'en servir pour démarrer, tu vas chercher la 1ere et en laissant remonter ton sélecteur, tu embrayes
est ce que y a besoin de faire tourner le moteur quand tu débrayes au guidon ?
non
et bien là, c'est pareil
Je n’ai aucune confiance en quelqu’un qui porte à la fois une ceinture et des bretelles… en quelqu’un qui doute de son pantalon.
Avatar du membre
Lilian
Membre
Messages : 1132
Enregistré le : mar. 17 nov. 2015 18:54
Localisation : Bazas
Adhérant : 543

Re: Restauration d'un MT 10 36 de 1983

Message par Lilian »

En fait le piston en question est lié au sélecteur, j'ai bon ?
“Il ne faudrait pas croire que les responsables d'hier étaient plus ignorants de la situation que ne le sont ceux d'aujourd'hui !” Raymond Devos (toujours à propos)
Avatar du membre
tartempion
Membre
Messages : 2091
Enregistré le : jeu. 26 juil. 2018 14:32
Localisation : Андернос мотоциклетный завод 33

Re: Restauration d'un MT 10 36 de 1983

Message par tartempion »

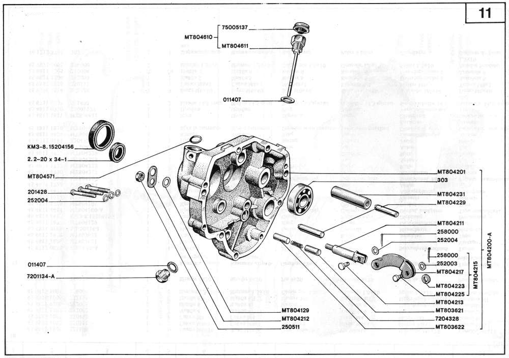
oui, il y a un systeme de biellettes qui les rend solidaires (pour simplifier, en réalité, il y a un ressort au milieu )
biellette.jpg
mt804217
Je n’ai aucune confiance en quelqu’un qui porte à la fois une ceinture et des bretelles… en quelqu’un qui doute de son pantalon.
Avatar du membre
Kreuzhof
Amicaliste
Messages : 5376
Enregistré le : ven. 4 nov. 2016 20:02
Localisation : Bavière/Dauphiné
Adhérant : 611

Re: Restauration d'un MT 10 36 de 1983

Message par Kreuzhof »

Tout est là:
Halbautomatische Steuerung 01.jpg
Halbautomatische Steuerung 02.jpg
MT12 de 1982 - Faut que ça tourne!
Rénovation d'un MT12 viewtopic.php?t=461
Avatar du membre
Lilian
Membre
Messages : 1132
Enregistré le : mar. 17 nov. 2015 18:54
Localisation : Bazas
Adhérant : 543

Re: Restauration d'un MT 10 36 de 1983

Message par Lilian »

pigé ! ;)
“Il ne faudrait pas croire que les responsables d'hier étaient plus ignorants de la situation que ne le sont ceux d'aujourd'hui !” Raymond Devos (toujours à propos)
Répondre

Retourner vers « Présentations des membres et de leur(s) projet(s) »